|
項目Item |
單位Unit |
內容Content |
|
機 幅 |
毫米 |
660 |
|
處理能力 |
公斤/小時 |
純棉55~70 化纖45~60 |
|
開松效果 |
% |
≥90(松散型粗紗頭) |
|
裝機功率 |
千瓦 |
4.74 |
|
實際功耗 |
千瓦 |
<3.50 |
|
錫林直徑 |
毫米 |
Φ750 |
|
錫林轉速 |
轉/分 |
608 |
|
塵籠直徑 |
毫米 |
Φ400 |
|
塵籠轉速 |
轉/分 |
2.68 |
|
風機轉速 |
轉/分 |
1080 |
|
風機風量 |
米3/小時 |
1000~1500 |
|
喂棉簾速度 |
米/分 |
0.63 |
|
天平羅拉直徑 |
毫米 |
Φ76 |
|
天平羅拉轉速 |
轉/分 |
4.31 |
|
下剝棉羅拉直徑 |
毫米 |
Φ80 |
|
上剝棉羅拉直徑 |
毫米 |
Φ120 |
|
下剝棉羅拉轉速 |
轉/分 |
14.08 |
|
上剝棉羅拉轉速 |
轉/分 |
9.39 |
|
噪 聲 |
分貝 |
<80 |
|
重 量 |
公斤 |
約1500 |
1、機外管道 overboard pipeline
2、存棉裝置 cotton-stock device
六、 安裝與調試 Installation and debugging
1、 安裝Installation
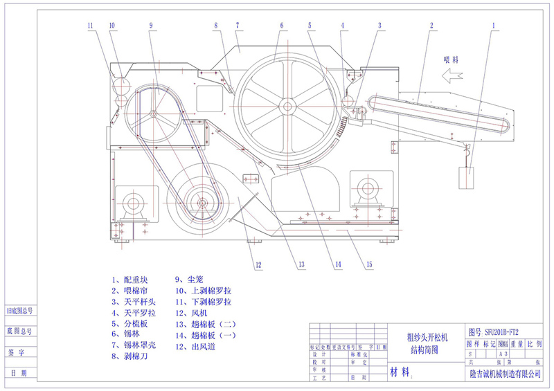
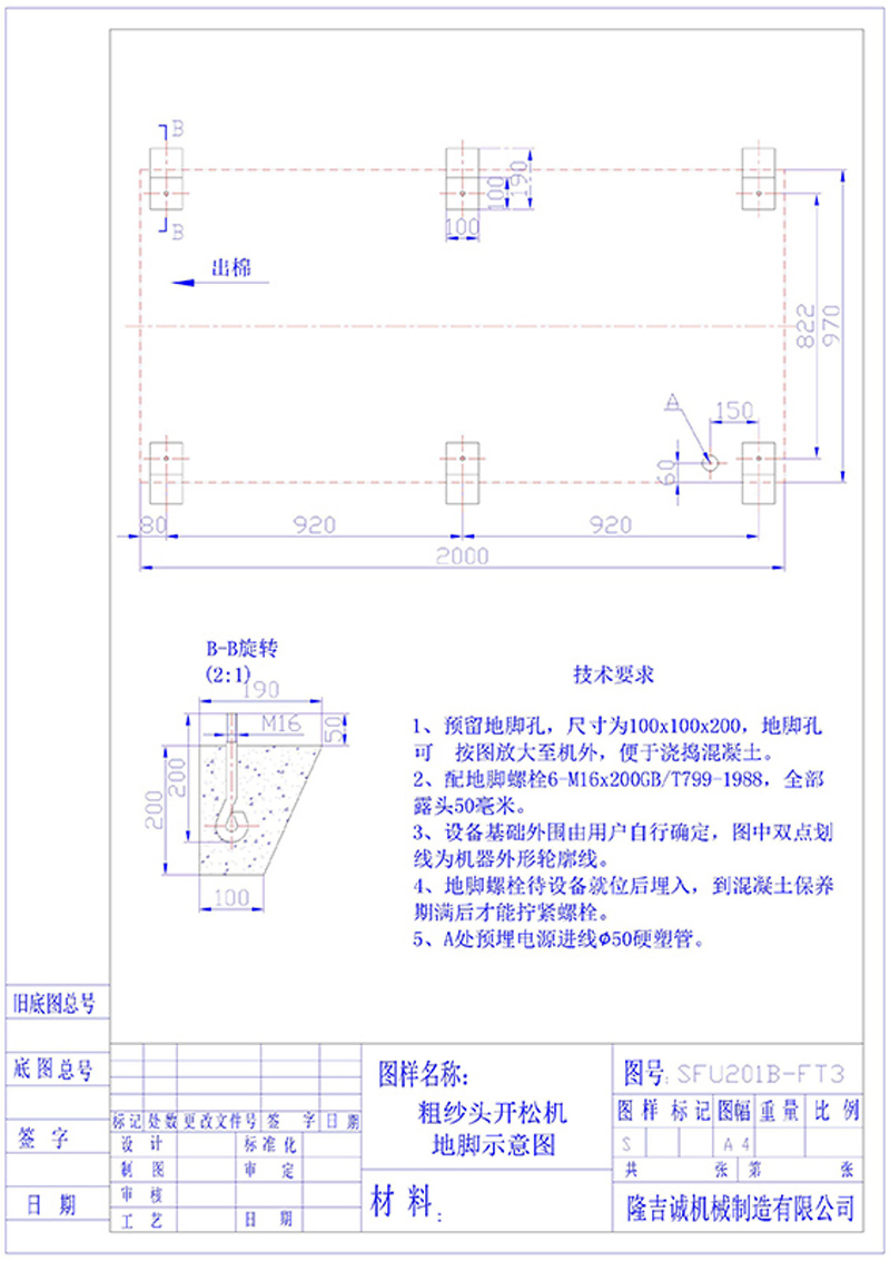
1.1、 安裝時參閱地腳設計示意圖(見SFU201B-FT3)
Please refer to the design schematic diagram of foot margin
1.2、 澆注混凝土前,設備需校正水平。
長度方向:兩側墻板上平面校正。
寬度方向:錫林軸兩端校正水平。
Correct the machine to horizontal position before concreting
Length direction: correct the upper wallboard of both sides.
Width direction: correct the both sides of the cylinder axle.
2、 調整 Debugging
2.1、 設備調整必須在全機停車錫林靜止的情況下進行。
Stop working the whole machine and the cylinder before correcting the facility
2.2、 手動保安結合件插入錫林皮帶盤孔,確信錫林已不能轉動。
Put the binder into the belt pulley hole of the cylinder and make sure it has stopped working.
2.3、 錫林針尖與天平桿工作面間距調至4-6毫米,若實際操作不便時,可改為調整錫林針尖至天平羅拉表面隔距,其范圍為6-8毫米。
Adjust the distance between the pinpoint of the cylinder and the weigh bean about 4 to 6mm. If the actual mechanical process is inconvenient, you can change the space between the pinpoint of the cylinder and the weigh bean in the range of 6 to 8mm.
2.4、 錫林針尖最高點與分梳板隔距調至0.5-1毫米。
Distance between the highest pinpoint of the cylinder and the carding plate should be 0.5 to 1 mm.
2.5、 錫林針尖與剝棉刀之間隔距調至2-3毫米。
Distance between the highest pinpoint of the cylinder and the cotton sharpener should be 2-3mm.
2.6、 天平羅拉與天平桿鉗口處隔距調至0.1-0.25毫米。
Distance between the pedal roller and the weigh bean jaw should be 0.1-0.25mm.
七、 運轉及保養(yǎng)Operation and maintain
1、 開車前的準備
Preparation before driving
1.1、 減速箱加入二硫化鉬潤滑脂。 Add gease into the reducer casing
1.2、 慢速轉動錫林,絕不可有接觸聲。Slowly roll the cylinder, never had the contact sound.
1.3、 傳動鏈條及三角膠帶漲緊適宜。Keep the drive chain and the triangle tape in a proper degree.
1.4、 錫林兩端軸承可靠緊固,打開錫林安保結合件。Bearings of the cylinder should be fixed and open the security binder.
1.5、 檢查電機轉向是否正確。Make sure the direction of the electric motor is right.
1.6、 合上錫林罩殼和塵籠罩殼,關閉兩側密封門。Close the shell of the cylinder and shell of the dust cage. Close the sealing door of both sides.
2、 開車 driving
2.1、 接通電源,指示燈亮。Power-on, and the power indicator is on.
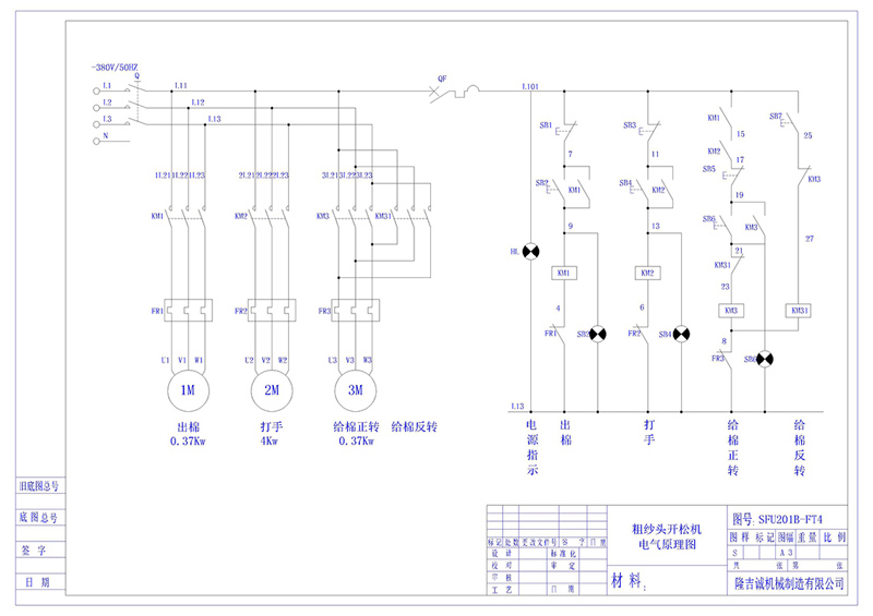
2.2、 開車順序:先開出棉,再開打手(傳動錫林及風機,
見SFU201B-FT4),等錫林啟動平穩(wěn)后最后開啟喂棉電機。
Driving order: first open the cotton and after it smoothly starting, turn on the cotton feeder motor.
2.3、 空車運轉10分鐘無異常情況后,開始喂入粗紗頭,喂棉量逐漸增加。
After the empty car running 10 minutes without any abnormal condition, begin to feed the roving waste and gradually add more.
3、 保養(yǎng) Maintain
3.1、 定期檢查各緊固件連接是否可靠。
Periodically inspect the connection of each fastener is reliable.
3.2、 定期檢查錫林針齒是否完好無損,必要時應更換針板。注意:機器運轉時,嚴禁打開錫林罩殼及塵籠罩殼。
Periodically inspect the cylinder’s tooth is in perfect condition, change the pin plate on occasion.
3.3、 定期清除過棉通道中掛積的纖維。
Periodically eliminate the fiber in the cotton transport pipe.
3.4、 定期檢查傳動皮帶的松緊程度,必要時進行更換。
Periodically inspect tightness of the transmission belt.
3.5、 定期給傳動鏈加潤滑油。
Periodically add lubricating oil.
3.6、 定期檢查減速箱內儲油量。新車運行3個月后重新?lián)Q油。
Periodically inspect the oil storage in the reducer box. Change the oil after the new car run three months.
3.7、 出棉處纖維不宜堆積過高,應及時轉移已開松的纖維,防止返花后堵車,損壞塵攏和齒輪,造成不必要的損失。
Cannot pile up too much where the cotton came out, and exchange the loosed fiber, for fear that the block which will damage to the dust cage and the gear.
八、 隨機附圖Attached map
SFU201B-FT1 外形圖 full view drawing




